Seleziona Pagina

KSO valvola a solenoide

Descrizione

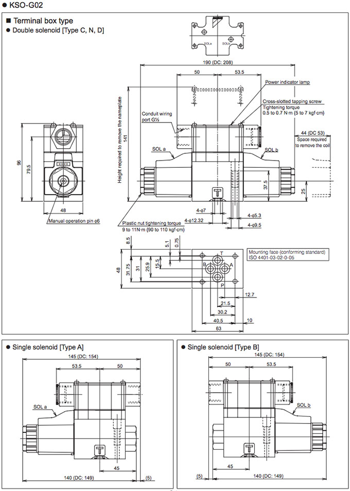
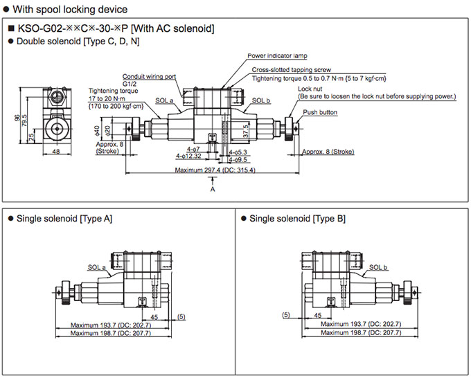
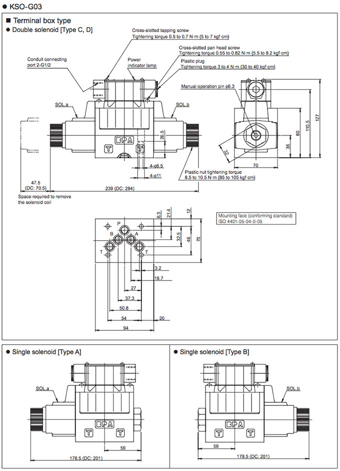
Realizza un controllo della portata elevata ad alta pressione a 35 MPa e 100 L (G02) o 160 L / min (G03). Ideale per l’integrazione con apparecchiature conformi allo standard europeo di sicurezza (CE) a causa di proprietà a prova di polvere / acqua che soddisfano il grado di protezione di ingresso IP65 IP65 Pub529.